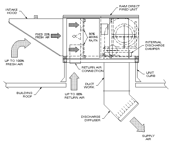
RAM 80/20 Direct Fired Make-Up Air
Basic Installation Drawing


  Download Drawing Print