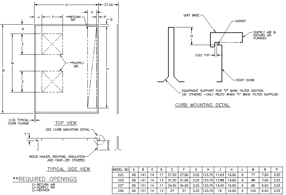
Curb Section View