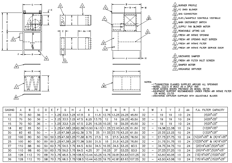
V2 Vertical Unit with Side Discharge