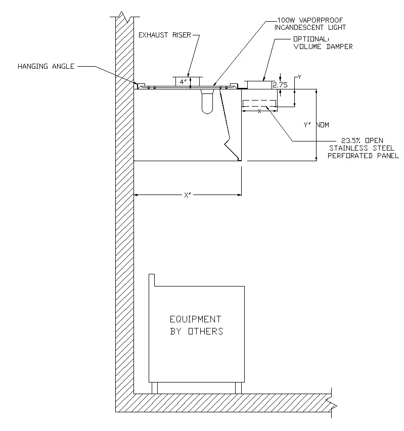
Double Wall with PSP Section View