Rep Our Products

Are you interested in representing CaptiveAire and selling our products?
Please fill out the following form, and we will contact you soon.

This site is protected by reCAPTCHA and the Google Privacy Policy and Terms of Service apply.

 

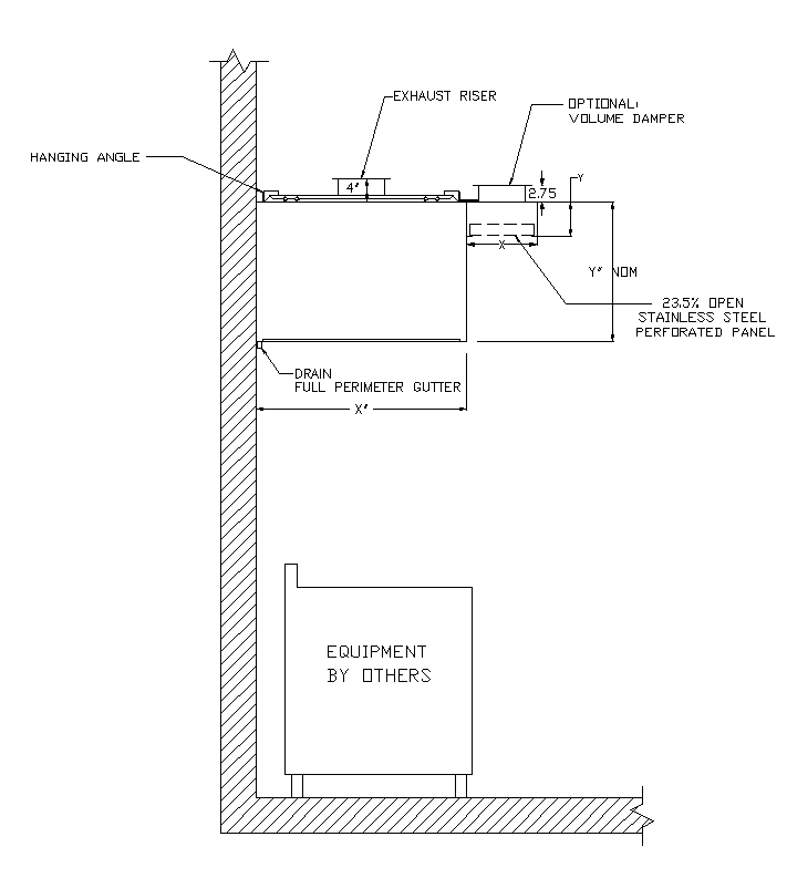
Single Wall with gutter and PSP Section View


  Download Drawing Print